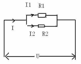
电容阻抗计算公式
电容阻抗计算公式:Xc=1/ωc。电容电阻指电容对电流的阻碍作用,存在于交流电路中。因为交流电能通过电容,而直流电不能通过电容。电容电阻就是电阻和电容合并起来的说法,因为用到电阻的地方差不多都需要电容,所以就叫电容电阻。
在具有电阻、电感和电容的电路里,对电路中的电流所起的阻碍作用叫做阻抗。阻抗常用Z表示,是一个复数,实部称为电阻,虚部称为电抗,其中电容在电路中对交流电所起的阻碍作用称为容抗 ,电感在电路中对交流电所起的阻碍作用称为感抗,电容和电感在电路中对交流电引起的阻碍作用总称为电抗。阻抗的单位是欧姆。阻抗的概念不仅存在于电路中,在力学的振动系统中也有涉及。

